Upišite nekoliko riječi da pronađete sadržaj eg:
fuse,arrestor,00110115 technical...
Nedavne pretrage
Tehnička podrška
This email address is being protected from spambots. You need JavaScript enabled to view it.

Topljivi osigurač NH3 UQ01 aR 800A/1000V 004305230

Specifikacije

Šifra proizvoda:
004305230
Opis:
NH3 UQ01 aR 800A/1000V
Ime razreda:
Topljivi osigurač
efuse:
1
Grupa proizvoda:
Zaštita poluprovodnika
Tip:
NH
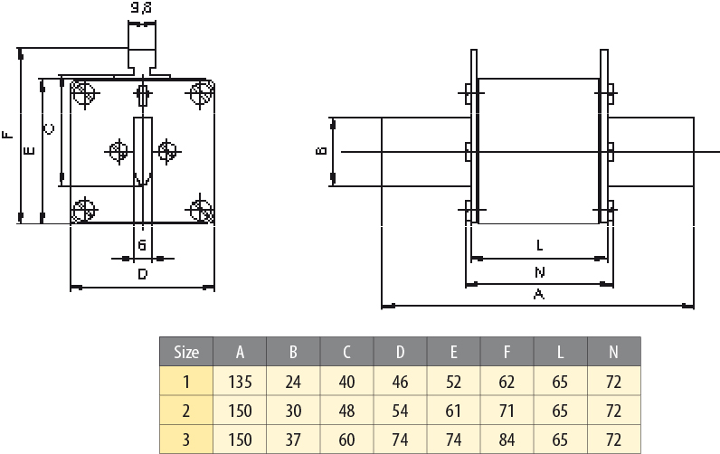
Veličina:
NH3
Nazivna struja:
800A
Nazivni AC napon:
1000V
Nazivni DC napon:
800V
Karakteristika:
aR
AC Prekidna moć:
200kA
Primena:
Za zaštitu poluvodičkih uređaja
Indikator:
Indikator statusa gornjeg osigurača
Pd (W):
136W
Radni Džulov integral (A2s):
870000
Standardi:
IEC 60269-4

Dokumenti

Proizvod

Etikod EAN
3838895756873  
Eticode težina
1300  g
Carinska tarifa
85361090  
logis_net_width
73  mm
logis_net_height
150  mm
logis_net_depth
88  mm

Osnovno pakovanje

Količina
3  
EAN
3838895466253  
Težina
4.05  kg

Transportno pakovanje

Količina
15  
EAN
3838895713272  
Težina
20.8  kg
Broj paleta
15  

COM_ETISTORE_ITEM_TITLE_LOGISTIC_DATA_SECTION4

qty
1  pcs
Težina
1300  g
Visina (mm)
150  
Dubina (mm)
88  
volume
1.3  dm3
Klasifikacija
EC000055
Ime razreda
Low Voltage HRC fuse
Construction size
NH3
Rated current
800
Rated voltage
1000
Voltage type
AC
Rated switching capacity
200
Utilization category
aR (accompanied semiconductor protection)
Type of fuse status indicator
Top fuse status indicator
Insulated metal gripping lugs (IMGL)
Ne
ETIM Clasifikacija – Verzija

Slike i dijagrami

Pribor 1

>
>
0
Vaša korpa je prazna.