Pomoćni kontakti BCXMFAE 10 (1NO) 004642510
Specifikacije
- Šifra proizvoda:
- 004642510
- Opis:
- BCXMFAE 10 (1NO)
- Ime razreda:
- Pomoćni kontakti
- Funkcija:
- Pribor
- Funkcija pribilia:
- Pomoćni kontaktni blokovi - prednji
- Za upotrebu sa:
- CEM9-CEM105
Dokumenti
Logistički podaci
Proizvod
- Carinska tarifa
- 85365080
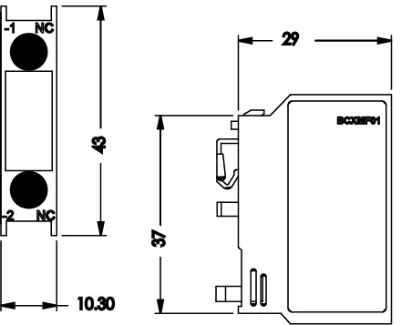
- logis_net_width
- 11 mm
- logis_net_height
- 43 mm
- logis_net_depth
- 33 mm
Osnovno pakovanje
- Količina
- 1
- EAN
- 7890355110423
- Težina
- 0.015 kg
Transportno pakovanje
- Količina
- 25
- EAN
- 17890355110420
- Težina
- 0.375 kg
- Broj paleta
- 4000
ETIM Clasifikacija
- Klasifikacija
- EC000041
- Ime razreda
- Auxiliary contact block
- Number of contacts as normally open contact
- 1
- Rated operation current Ie at AC-15, 230 V
- 6A
- Type of electric connection
- Screw connection
- Mounting method
- Front fastening
Slike i dijagrami
Softver i upravljački programi

Oznake
Pribor 98
>
>
0