Upišite nekoliko riječi da pronađete sadržaj eg:
fuse,arrestor,00110115 technical...
Nedavne pretrage
Tehnička podrška
This email address is being protected from spambots. You need JavaScript enabled to view it.

Topljivi osigurač NH3L gBat 500A/800V DC 004110350

Specifikacije

Šifra proizvoda:
004110350
Opis:
NH3L gBat 500A/800V DC
Ime razreda:
Topljivi osigurač
efuse:
1
Veličina:
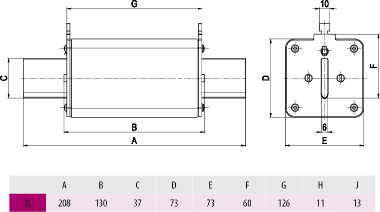
NH3L
Nazivni DC napon:
800
Indikator:
Indikator statusa gornjeg osigurača
Karakteristika:
gBat
DC Prekidna moć:
30
Nazivna struja:
500
Snaga disipacije (0,7xIn) (W):
50
Radni Džulov integral (A2s):
300.000
Pd (W):
112
Džulov integral pre el.luka (A2s):
150.000
L/R (ms):
3
Primena:
Zaštita baterija
Tip:
NH
Standardi:
IEC 60269-7

Dokumenti

Proizvod

Eticode težina
1980  g
Carinska tarifa
85361090  
logis_net_width
73  mm
logis_net_height
207  mm
logis_net_depth
88  mm

Osnovno pakovanje

Količina
1  
EAN
3838895747826  
Težina
1.97  kg

Transportno pakovanje

Količina
9  
EAN
3838895768203  
Težina
18.71  kg
Broj paleta
468  
Klasifikacija
EC000055
Ime razreda
Low Voltage HRC fuse
Construction size
Other
Rated current
500
Rated voltage
800
Voltage type
DC
Rated switching capacity
30
Utilization category
Other
Type of fuse status indicator
Top fuse status indicator
Insulated metal gripping lugs (IMGL)
Ne
ETIM Clasifikacija – Verzija

Slike i dijagrami

Softver i upravljački programi

Softver se nudi takav kakav jeste be1z ikakvih garancija. Autor nije u obavezi da pruža podršku, usluge, ažuriranja ili nadogradnje besplatnog softvera ili upravljačkik programa.

Pribor 1

>
>
0
Vaša korpa je prazna.