Upišite nekoliko riječi da pronađete sadržaj eg:
fuse,arrestor,00110115 technical...
Nedavne pretrage
Tehnička podrška
This email address is being protected from spambots. You need JavaScript enabled to view it.
Tripping Characteristics of NH Fuse-links – What Do gG, aM mean..?

Tripping Characteristics of NH Fuse-links – What Do gG, aM mean..?

Tripping Characteristics of NH Fuse-links – What Do gG, aM mean..

A fuse protects low-voltage electrical conductors and cables from short circuits and overloads. There are different types of fuses, such as type D, type DO, NV, cylindrical, etc. Various markings on a fuse or fuse link indicate important parameters, including the rated current In (e.g., 20A in Picture 1), rated voltage U (e.g., 500V ), and short-circuit capacity (e.g., 120kA). This article focuses on the meaning of the gG marking, specifically the significance of the letter g (as opposed to a), which indicates the tripping or current-time (I-t) characteristic of the fuse.

IT Power Supply System in Relation to Grounding

IT Power Supply System in Relation to Grounding

IT Power Supply System in Relation to Grounding

An important element in protecting people (as well as property and animals) from the effects of electric current is the grounding of a part - the point of the electrical power supply system (e.g., a 20/0.4 kV transformer station that supplies a facility) and the grounding of exposed conductive parts. An exposed conductive part (such as the casing of an asynchronous motor) is normally not live; however, in the event of a fault, if a phase conductor comes into contact with the casing due to a failure, it can be dangerous to touch.

Motor protection circuit breaker MPE25 - Understanding the Tripping Characteristics

Motor protection circuit breaker MPE25 - Understanding the Tripping Characteristics

Motor protection circuit breaker MPE25 - Understanding the Tripping Characteristics

Motor protection circuit breaker is a crucial component for protecting asynchronous motors from overloads and short circuits. To understand how the protection works, it's important to first understand the basic operation of an asynchronous motor.

Simplify Power Dissipation Calculations with ETI’s Power Dissipation Configuration Tool

Simplify Power Dissipation Calculations with ETI’s Power Dissipation Configuration Tool

Simplify Power Dissipation Calculations with ETI’s Power Dissipation Configuration Tool

 We’re excited to introduce our Power Dissipation Configuration Tool, a user-friendly solution designed to optimize your electrical system performance. This tool enables engineers, designers, and installers to calculate power losses with precision, ensuring the safe and efficient operation of electrical installations.

Remote switching on and off of a three-phase asynchronous motor with push buttons

Remote switching on and off of a three-phase asynchronous motor with push buttons

REMOTE SWITCHING ON AND OFF OF A THREE-PHASE ASYNCHRONOUS MOTOR WITH PUSH BUTTONS

Remote switching on and off of a three-phase asynchronous motor using push buttons enables efficient and safe motor operation from a distance. This method is widely used in industrial settings to enhance practicality and ensure safety in the workplace.

Selected Requirements for the Design and Development of Enclosures for Low-Voltage Switchgear by ETI

Selected Requirements for the Design and Development of Enclosures for Low-Voltage Switchgear by ETI

Selected Requirements for the Design and Development of Enclosures for Low-Voltage Switchgear by ETI

When designing low-voltage switchgear, many manufacturers follow guidelines from standards to create and market a product that meets all necessary requirements and ensures safety.

Why Are gPV Fuses the Safer Choice for Solar Power

Why Are gPV Fuses the Safer Choice for Solar Power

Why Are gPV Fuses the Safer Choice for Solar Power

When it comes to solar energy systems, selecting the right components is not just a matter of efficiency—it’s a critical safety decision. Among the most essential components are electrical fuses, which protect systems from overcurrents and faults. Specifically, the debate between gPV fuses, designed for photovoltaic (PV) systems, and gG fuses, used in general electrical applications, often arises. While gPV fuses are more expensive, their design specifically addresses the unique challenges of solar energy systems, making them the safer choice.

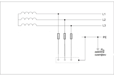
TT Distribution System Regarding Grounding and Fault Protection

TT Distribution System Regarding Grounding and Fault Protection

TT Distribution System Regarding Grounding and Fault Protection

An important element in protecting humans (as well as property and animals) from the effects of electric current is the grounding of the system—this involves the grounding of the point of the electrical supply system and the grounding of exposed conductive parts.

 

Improving DC EV Charger Maintenance with IR-Based C IR Indication

Improving DC EV Charger Maintenance with IR-Based C IR Indication

Improving DC EV Charger Maintenance with IR-Based C IR Indication

 

As electric vehicles (EVs) continue to gain popularity, the demand for fast and reliable charging infrastructure is surging. This has led to an increasing focus on ensuring that EV chargers, particularly DC fast chargers, operate efficiently and remain accessible to drivers during long journeys. One of the critical challenges in maintaining these charging stations is minimizing downtime caused by electrical failures, which can disrupt service and delay repairs. In this case study, we explore how ETI’s innovative C IR indication module provides a cutting-edge solution for monitoring and maintaining the electrical wiring within DC EV chargers, improving both reliability and maintenance efficiency.

 

1. Fast DC Chargers

 

Electric vehicles (EVs) are becoming more common, and with them, there is an increasing demand for reliable and accessible charging infrastructure.

The main purpose of DC EV chargers is to quickly refill the EV battery during long journeys. Consequently, EV chargers are usually positioned along highways at existing petrol stations. The distance between EV charging stations can be considerable, and any failure in the electrical wiring results in an unexpected and unwanted shutdown of the charging station. Because of the long distances between stations, maintenance is more difficult, as it takes time for the maintenance team to reach the failed device. Any information regarding the potential failure is highly valued.

TN Earthing System Regarding Grounding and Fault Protection

TN Earthing System Regarding Grounding and Fault Protection

TN Earthing System Regarding Grounding and Fault Protection

An important element in protecting people (including property and animals) from the effects of electric current is grounding the part – the point of the electrical power supply system (e.g., a 20/0.4 kV transformer station from which a building is powered) and grounding exposed conductive parts. The exposed conductive part (such as the stove housing) is normally not under voltage, but if the phase conductor comes into contact with the housing due to a fault, it can be dangerous if touched. 

 

Project PODIFER - EFI-P4 eV

Project PODIFER - EFI-P4 eV

Project PODIFER - EFI-P4 eV

 

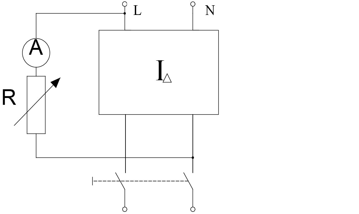
In the ever-evolving landscape of electrical installations, staying at the forefront of innovation is paramount. Enter Project PODIFER – a venture aimed at developing specialized RCDs for the next generation of electrical installations, aligning seamlessly with the 'European Green Transition.' These installations are envisioned to incorporate various charging stations for electric vehicles and energy storage systems.

 

Matija Strehar

Head of R&D Switches

Vaša korpa je prazna.